




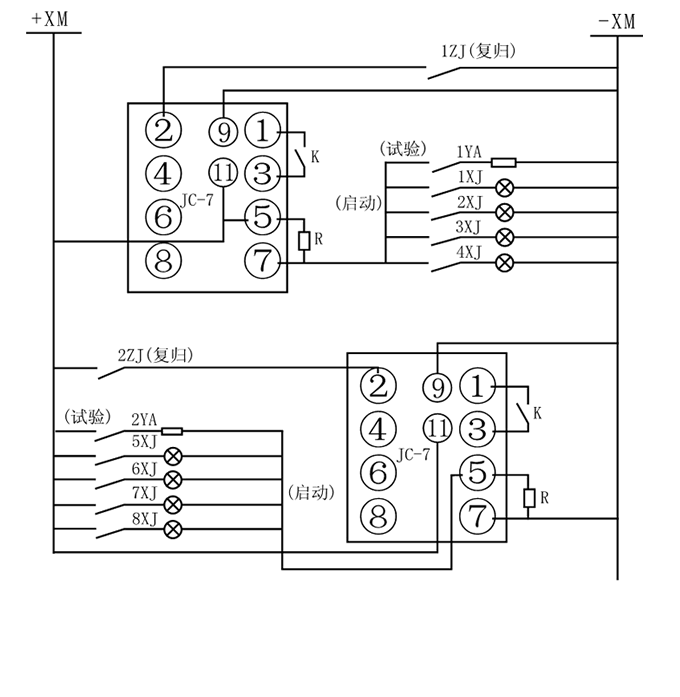
产品型号:JC-7/11冲击继电器
动作电流:15mA
额定电压:48V、110V、220V(DC)
安装方式:凸出式插拔和嵌入式插拔

| 型号 | 辅助电压 | 动作及返回电流 | 较大稳定电流 | 有无延时功能 |
| JC-7/11 | DC:48V、110V、220V | 15mA | 2A | 无 |
| JC-7/12 | DC:48V、110V、220V | 100mA | 0.6A | 无 |
| JC-7/21 | DC:48V、110V、220V | 15mA | 0.6A | 有 |
| JC-7/22 | DC:48V、110V、220V | 100mA | 2A | 有 |






